柴油发电机冷却水温异常危害及冷却系统结构分类(图文)
在柴油发电机组工作情况下,摩擦及高温燃气的热会使零部件的温度升高。如不采取相应的冷却措施,零部件的温度会过高,不利于机组正常运行。所以发电机组要配置冷却系统保持机组良好的工作状态及延长机组寿命。
一、柴油机过热或过冷的危害
受热零件的机械强度和刚度会显著降低,相互间的正常配合间隙会被破坏。润滑油也会因温度升高而变稀,失去应有的润滑作用,加剧零件的磨损和变形,严重时配合件可能会卡死或损坏。
另外柴油机过热,会导致充气系数降低,燃烧不正常,功率下降,耗油量增加等。
如柴油机温度过低,则混合气形成不良,造成工作粗暴、功率下、油耗增加、散热损失大、机油黏度大、零件磨损加剧等导致内燃机使用寿命缩短。
二、柴油机冷却水温度多少合适
实践表明,柴油机过热或过冷都会给发动机带来危害,其冷却水温为40~50℃条件下使用时其零件磨损要比正常温度下运转时大好几倍。因此柴油机也不应冷却过度,需要确保内燃机冷却系统在适宜的温度范围内使用。水冷式内燃机缸壁中适宜温度为80~90℃,风冷式内燃机缸壁适宜温度为160~200℃。
三、柴油发电机冷却系统构造及分类
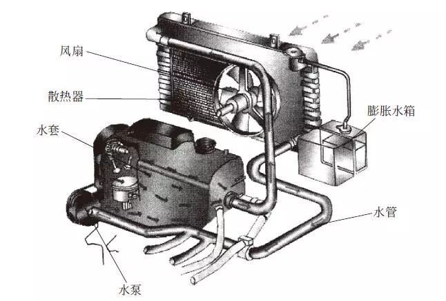
发动机冷却系统的组成:气缸水套、 水箱、 水泵、 节温器、 电子扇、 软管、水温传感器等。根据冷却介质的不同,冷却系统可分为水冷式和风冷式两种。
1.水冷式冷却系统
水冷却系统一般是由膨胀水箱、散热器、水泵、风扇、水套和温度调节装置等组成。其作用是将内燃机受零件的热量传递出去。根据冷却水在内燃机中循环模式不同,分为强制循环冷却和自然循环冷却两种。

2.风冷式冷却系统
风冷却系统中冷却介质是空气,利用气流使散热片的热量散到大气中。其主要由风扇、导流罩、散热片、气缸导流罩和分流板组成。

以上关于“柴油发电机冷却水温异常危害及冷却系统结构分类”介绍由发电机厂家电力为您分享,希望对大家有帮助。电力十余年来致力于柴油发电机生产销售,并与众多国内外知名品牌柴油机达成合作,正规授权,厂家直销,值得信赖!欢迎莅临本厂参观考察!
报价:13667715899
推荐文章
- 解密数据中心、医院、工厂都在抢的500KW玉柴柴油发电机组:凭啥一台机器全能通吃? 2026-04-17
- 亮相2026年第139届中国进出口商品交易会(广交会),以创新科技闪耀国际舞台 2026-04-16
- 精彩亮相第139届中国进出口商品交易会(广交会) 以硬核电力科技对接全球需求 2026-04-16
- 行业首创1000L可拆卸底座油箱,这台400KW上柴发电机组,欧洲技术,重卡级心脏,供电能力太稳了 2026-04-15
- 可拆卸油箱+50Hz/60Hz通吃全球!这台400KW上柴柴油发电机组,省油、好维护、带载猛 2026-04-15
- 纯铜绕组、H级绝缘、IP23防护:100kw玉柴柴油发电机组,工业用电的务实方案 2026-04-14
- 为关键用电场景选购电力设备:为什么数据中心、医院、工厂的老板都在选这台康明斯550KW发电机组? 2026-04-13
- 医院、银行、数据中心都在用的发电机组:92kW珀金斯静音发机组硬核配置,从容应对每一次断电 2026-04-10
- 百年珀金斯6缸心脏,配斯坦福铜芯,这台92kW珀金斯静音发电机组,静音、省油、智能 2026-04-10
- 什么是硬核工业电?直列6缸+空空中冷+斯坦福纯铜电机,这一套配置够用30年——240kW东风康明斯静音箱式柴油发电机组 2026-04-09






桂公网安备45010702002247