1800KW柴油发电机组输出柜配置清单及线路图
启动柜是指电动机的起动,柴油发电机组这个发电设备对普通中国人来说不陌生了,但是相信了解的人也不多,都知道柴油发电机是用来发电的。其实,在一个城市里有许多发电机就在我们的身边,例如我们住宅里的电梯吧,如安防系统, 电梯,信息储备,消防安全等,这些都是与大家的生活息息相关的!今天柴油发电机厂家必威中文官网电话电力给大家介绍柴油发是机组启动柜材料及其图纸。
| 1800KW柴油发电机组配电柜材料报价明细清单 | |||||
| 主开关柜 | |||||
| 序号 | 名称 | 型号规格 | 单位 | 数量 | 厂家 | 
| 1 | 柜体 | GGD 1000*800*2200(宽*深*高) | 台 | 1 | 定制 | 
| 2 | 万能式框架断路器 | MVS 32H 3F202+相间隔板+瞬动失压线圈 MN-AC200-250V | 台 | 1 | 施奈德 | 
| 3 | 电流互感器 | BH-0.66Ⅱ 3000/5 Φ120 0.5级 1匝 | 只 | 3 | 正泰 | 
| 4 | 发电机组控制器 | HGM6110N | 只 | 1 | 众智 | 
| 5 | 直流电源模块 | BAC06A AC220V/DC24V | 只 | 1 | 众智 | 
| 6 | 小型中间继电器 | NXJ24V-4Z1 D | 只 | 4 | 正泰 | 
| 7 | 小型中间继电器 | NXJ-A220V-4Z1 D | 只 | 1 | 正泰 | 
| 8 | 电流表 | 42L6-A,3000/5 | 只 | 3 | 正泰 | 
| 9 | 功率表 | 42L6-KW 3000/5A 380V | 只 | 1 | 正泰 | 
| 10 | 功率因数表 | 42L6-COSφ 380V 5A三相 | 只 | 1 | 正泰 | 
| 11 | 频率表 | 42L6-HZ 45-55HZ/380V | 只 | 1 | 正泰 | 
| 12 | 电压表 | 42L2-V 0~450V | 只 | 1 | 正泰 | 
| 13 | 电压换相开关 | LW5-16YH2/2 | 只 | 1 | 正泰 | 
| 14 | 熔断器 | RT14-20/ 6A | 套 | 5 | 正泰 | 
| 15 | 信号灯 | AD56-22DS/Y,G,R,~220V,黄1,红1,绿1 | 只 | 3 | 国优 | 
| 16 | 按钮 | LAY50-22D-11,1开1闭,红,绿各1 | 只 | 2 | 国优 | 
| 17 | 急停接钮 | 红色 | 只 | 1 | 国优 | 
| 18 | 旋钮 | 黑色 三挡 | 只 | 1 | 国优 | 
| 19 | 主铜排 | TMY-120*10 | 米 | 18 | 国优 | 
| 20 | 主铜排 | TMY-100*10 | 米 | 10 | 国优 | 
| 21 | 零排 | TMY-120*10 | 米 | 0.8 | 国优 | 
| 22 | 接地铜排 | TMY-100*10 | 米 | 0.8 | 国优 | 
| 23 | 绝缘子 | 圆形,红色,>M10 | 只 | 36 | 海坦 | 
| 24 | 配电柜安装人工 | 台 | 1 | ||
| 25 | 辅材 | 台 | 1 | ||
| 26 | 运费 | 台 | 1 | ||
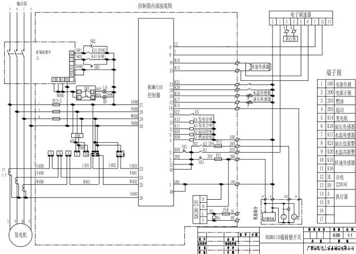
1800KW柴油发电机组启动柜配置图纸
以上信息来由广西发电机组厂家必威中文官网电话电力(//www.zgyus.com)收集整理, 我公司主营产品有康明斯发电机组、玉柴发电机组、沃尔沃发电机组、帕金斯发电机组、上柴发电机组等,可根据客户需要提供自启动、并机及微机监控等配套设备,静音及移动拖车,我公司的柴油发电机组出口东南亚、非洲、中东等地。热线:13667715899
 报价:13667715899
	报价:13667715899	 
      推荐文章
- 价格与价值的抉择:为什么说必威中文官网电话发电机组是性价比最优选? 2025-10-30
- 医院重症监护的“生命线”:必威中文官网电话智能发电机组自动切换保障24小时稳定供电 2025-10-28
- 选购发电机组,请认准必威中文官网电话,备用电源的“终极方案”! 2025-10-24
- 发电机组也支持远程遥控?智能时代的产品就是强! 2025-10-23
- 必威中文官网电话智能发电机组:让电力管理迈入"云时代"的智慧之选 2025-10-22
- 选购发电机组,就选必威中文官网电话智能发电机组!为什么?就因为它够智能 2025-10-22
- 预算有限怎么选智能柴油发电机组?必威中文官网电话这三款超高性价比机组最适合你 2025-10-21
- 买发电机追求智能化?必威中文官网电话这三款柴油发电机组性价比超高! 2025-10-20
- 为生命保驾护航:必威中文官网电话智能发电机组,医院备用电源系统的优选解决方案 2025-10-18
- 医院断电危机?就选必威中文官网电话智能发电机组,10秒守护生命安全! 2025-10-18
 
      




 桂公网安备45010702002247
 桂公网安备45010702002247