0771-5791162
首页
明星产品
静音发电机组
潍柴发电机组
珀金斯发电机组
betway88官网手机版
康明斯柴油发电机组
betway88必威东盟体育
玉柴发电机组
产品展示
BetWay88体育平台
视频展示
BetWay88体育平台
中标通知书
技术支持
案例中心
企业资质
Betway·必威(西汉姆联)唯一官方网站
联系我们
网站首页
明星产品
静音发电机组
潍柴发电机组
珀金斯发电机组
betway88官网手机版
康明斯柴油发电机组
betway88必威东盟体育
玉柴发电机组
产品展示
BetWay88体育平台
企业动态
中标通知书
技术支持
案例中心
企业资质
Betway·必威(西汉姆联)唯一官方网站
联系我们
Open Nav
添加微信好友了解产品
w13667715899
+ 关注
走进
明星产品
产品展示
新闻中心
技术支持
荣誉资质
服务跟踪
静音发电机组
潍柴发电机组
珀金斯发电机组
betway88官网手机版
康明斯柴油发电机组
betway88必威东盟体育
玉柴发电机组
当前位置:
首页
>
技术支持
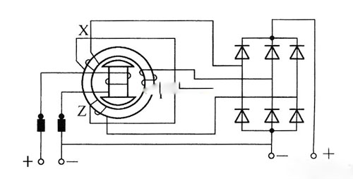
康明斯柴油发动机电子调速器及控制系统故障诊断
优质的康明斯柴油发动机PT (G ) 型燃油系统,使用 EFC 电子调速器,调速器可以调成同步运行或有转速降的运行。今天,电力小编为您介绍的是康明斯柴油发动机电子调速器 EFC的原理、调整和故障诊断技术 ,帮助大家轻松使用发动机。
查看更多
2019-06-03
要想100KW康明斯柴油发电机组省油耐用,必须重视空气滤清器
空气的质量和流通对100KW康明斯柴油发电机组油耗起着相当重要的作用。如果空气中含有过多的杂质,将会对100KW康明斯柴油发电机组造成故障损坏。柴油发电机空气滤清器的作用是滤去进入气缸空气中的尘土,保证发动机有足够的清洁空气同燃油混合
查看更多
2019-06-03
夏天如何提高康明斯柴油发电机组的使用效率?
在这炎热的夏天如何提高康明斯柴油发电机组的使用效率?夏天气温过高是发电机使用的软肋,柴油发电机在使用环境的温度越高,效率也相对会降低,如何在高温季节里保持发电机的效率?
查看更多
2019-06-03
MAGNAPLUS上海马拉松发电机MP系列的结构
上海马拉松发电机的结构:MP系列无刷三相同步发电机是根据NEMA开启式防护结构制造的,由主发电机、带旋转整流器的三相交流励磁机、静止的电压调节器及出线箱组成。
查看更多
2019-06-03
东风康明斯发动机的装配、调整和常见故障诊断简述
由于可能大家比较缺乏该系列东风康明斯发动机的使用、维修知识,给实际工作带来了不少麻烦,电力小编根据有关资料,就该东风康明斯发动机的装配、调整和常见故障的诊断、排除简述如下,供参考。
查看更多
2019-06-03
康明斯柴油发电机组订货须知,哪家售后服务好?
根据多位用户订购康明斯柴油发电机组时提出的几点疑问,电力小编现做几个总结,供大家参考,除此之外大家关心的售后服务也为大家推荐一家靠谱的康明斯柴油发电机组供应厂家。
查看更多
2019-06-01
购买康明斯柴油发电机组怎么选型靠谱?
购康明斯柴油发电机组,在选型方面是非常重要的,我们该从哪些发面考虑呢?首先一台质量上乘的产品是至关重要的。其次,不同功率、不同型号的康明斯发电机也应当在适合的环境下使用,才能达到发电机发电的有效功率。
查看更多
2019-06-01
广西玉柴机器YC6A系列发电机型号技术参数介绍
众所周知柴油发电机组有各自不同的型号每个型号参数功率各有不同,今天电力小编给大家详细介绍一组广西玉柴机器YC6A系列发电机型号技术参数,希望可以帮大家轻松选购到合适的发电机组。
查看更多
2019-06-01
道依茨150KW柴油发电机组参数BF6M1013FCG2
道依茨150KW柴油发电机组参数BF6M1013FCG2,常用功率(KW):150 备用功率(KW):183频率:50Hz 输出电压:400/230V 转速:1500rpm
查看更多
2019-06-01
天然气发电机组均质压燃式点火方式
传统汽油机的热效率较低,而传统柴油机的碳烟和 NOx排放问题难以解决。天然气发电机组发动机采用均质混合气引燃(HCCI)燃烧方式,有可能实现高效清洁的燃烧
查看更多
2019-06-01
静音省油 上柴动力H系列发动机参数特点
上柴打造了上柴H系列发动机。上柴H系列已经经过了验证产品可靠性、经济性,不少客户都选择了上柴发动机作为发电机组动力设备。
查看更多
2019-05-31
做好柴油发电机组防雷,保护生命财产安全
柴油发电机组在户外使用的,遇到恶劣的天气就会涉及到设备的防雷保护,那么发电机组的防雷保护需要有哪些具体的步骤呢?
查看更多
2019-05-31
4369 条记录 311/365 页
上一页
下一页
第一页
上5页
311
312
313
314
315
下5页
最后一页
1
2
3
4
5
6
7
8
9
10
11
12
13
14
15
16
17
18
19
20
21
22
23
24
25
26
27
28
29
30
31
32
33
34
35
36
37
38
39
40
41
42
43
44
45
46
47
48
49
50
51
52
53
54
55
56
57
58
59
60
61
62
63
64
65
66
67
68
69
70
71
72
73
74
75
76
77
78
79
80
81
82
83
84
85
86
87
88
89
90
91
92
93
94
95
96
97
98
99
100
101
102
103
104
105
106
107
108
109
110
111
112
113
114
115
116
117
118
119
120
121
122
123
124
125
126
127
128
129
130
131
132
133
134
135
136
137
138
139
140
141
142
143
144
145
146
147
148
149
150
151
152
153
154
155
156
157
158
159
160
161
162
163
164
165
166
167
168
169
170
171
172
173
174
175
176
177
178
179
180
181
182
183
184
185
186
187
188
189
190
191
192
193
194
195
196
197
198
199
200
201
202
203
204
205
206
207
208
209
210
211
212
213
214
215
216
217
218
219
220
221
222
223
224
225
226
227
228
229
230
231
232
233
234
235
236
237
238
239
240
241
242
243
244
245
246
247
248
249
250
251
252
253
254
255
256
257
258
259
260
261
262
263
264
265
266
267
268
269
270
271
272
273
274
275
276
277
278
279
280
281
282
283
284
285
286
287
288
289
290
291
292
293
294
295
296
297
298
299
300
301
302
303
304
305
306
307
308
309
310
311
312
313
314
315
316
317
318
319
320
321
322
323
324
325
326
327
328
329
330
331
332
333
334
335
336
337
338
339
340
341
342
343
344
345
346
347
348
349
350
351
352
353
354
355
356
357
358
359
360
361
362
363
364
365
热门产品
康明斯柴油发电机组
上柴柴油发电机组
玉柴柴油发电机组
移动拖车发电机组
静音发电机组
无锡斯坦福发电机型号
上海斯坦福发电机型号
推荐文章
map