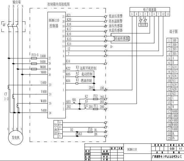
656KW柴油发电机组单机配电箱主要元件线路图
本工程项目单机配电箱配备的是一台656KW柴油发电机组,15秒内应急自起动与市电进行切换,起电流保护作用。此方案单机配电箱元件即专门针对作为应急电源和备用照明电源的656KW柴油发电机组试运行而制订。
柴油发电机组配电箱的作用:
1、合理的分配电能。
2、方便对电路的开合操作。
3、有较高的安全防护等级,能直观的显示电路的导通状态。
项目名称:656KW柴油发电机组单机配电箱主要元件明细清单 | |||||
配电箱主要元件清单 | |||||
序号 | 名称 | 型号规格 | 单位 | 数量 | 厂家 |
1 | 塑壳断路器 | NXM-1250S/3300 1250A | 台 | 1 | 正泰 |
2 | 发电机组控制器 | HGM6110 | 只 | 1 | 众智 |
3 | 发电机转速控制器 | C2002 | 只 | 1 | 孚创 |
4 | 直流电源模块 | DC24V | 只 | 1 | 众智 |
5 | 小型中间继电器 | HH54P DC24V | 只 | 2 | 正泰 |
6 | 小型中间继电器 | HH54P AC220V | 只 | 1 | 正泰 |
7 | 急停接钮 | LA37-11MZS红 | 只 | 1 | 国优 |
8 | 旋钮 | LA37-11X/2黑 | 只 | 1 | 国优 |
9 | 熔断器 | RT14-20/6A | 套 | 5 | 正泰 |
10 | 主铜排 | TMY-50*8 | 米 | 1.2 | 国优 |
11 | 零排 | TMY-40*4 | 米 | 0.3 | 国优 |
12 | 辅材 | 台 | 2 | 国优 | |

656KW柴油发电机组单机配电箱元件线路图
以上656KW柴油发电机组单机配电箱主要元件线路图来由广西柴油发电机组厂家电力(//www.zgyus.com)设计制作 ,电力十多年老品牌企业,供应的柴油发电机组功率范围为功率为20kw-3000kw,康明斯、玉柴、沃尔沃、帕金斯、上柴、潍柴、奔驰、道依茨等各大品牌,产品出口东南亚、非洲、中东等地。适用于工矿企业、公路、铁路、房地产、酒店、学校、医院等各行业用户,是理想供电产品。热线:13667715899
报价:13667715899
推荐文章
- 解密数据中心、医院、工厂都在抢的500KW玉柴柴油发电机组:凭啥一台机器全能通吃? 2026-04-17
- 亮相2026年第139届中国进出口商品交易会(广交会),以创新科技闪耀国际舞台 2026-04-16
- 精彩亮相第139届中国进出口商品交易会(广交会) 以硬核电力科技对接全球需求 2026-04-16
- 行业首创1000L可拆卸底座油箱,这台400KW上柴发电机组,欧洲技术,重卡级心脏,供电能力太稳了 2026-04-15
- 可拆卸油箱+50Hz/60Hz通吃全球!这台400KW上柴柴油发电机组,省油、好维护、带载猛 2026-04-15
- 纯铜绕组、H级绝缘、IP23防护:100kw玉柴柴油发电机组,工业用电的务实方案 2026-04-14
- 为关键用电场景选购电力设备:为什么数据中心、医院、工厂的老板都在选这台康明斯550KW发电机组? 2026-04-13
- 医院、银行、数据中心都在用的发电机组:92kW珀金斯静音发机组硬核配置,从容应对每一次断电 2026-04-10
- 百年珀金斯6缸心脏,配斯坦福铜芯,这台92kW珀金斯静音发电机组,静音、省油、智能 2026-04-10
- 什么是硬核工业电?直列6缸+空空中冷+斯坦福纯铜电机,这一套配置够用30年——240kW东风康明斯静音箱式柴油发电机组 2026-04-09






桂公网安备45010702002247